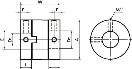
形状图

*1: 轴孔径为φ4以下时,附带1个止动螺丝。
尺寸・CAD
单位 : mm
| 型号 | A | L | W | E | F | M | 螺丝紧固扭矩 (N・m) | CAD下载 |
|---|---|---|---|---|---|---|---|---|
| MOR-17-5-8 | 17 | 4.9 | 19.7 | 8.2 | 2.5 | M3 | 0.7 |
| 型号 | 最大轴孔径 (mm) | 额定扭矩 (N・m)*1 | 最大扭矩 (N・m)*1 | 最高转速 (min-1) | 惯性 力矩 (kg・m2)*2 | 静态 扭转刚性 (N・m/rad) | 容许偏心 (mm) | 容许偏角 (°) | 质量 (g)*2 |
|---|---|---|---|---|---|---|---|---|---|
| MOR-17-5-8 | 8 | 2.2 | 4.4 | 37000 | 2.8×10-7 | 120 | 1.2 | 3 | 7 |
*1: 无负荷变动,并且向某一方向旋转时的值。负荷变动大,或进行正反运转时,请在选择尺寸时留出余裕。当环境温度高于30℃时,请依据下表的温度修正系数调整额定扭矩和最大扭矩。MOR的可使用温度为-20℃~80℃。
*2: 最大轴孔径时的值。
可传递摩擦力矩
如下表所示,夹紧型MOR-C的轴的可传递摩擦力矩因轴孔径的不同而异。选择时敬请注意。单位 : N・m
| 型号 | 轴孔径 | ||||||||||||||||||
|---|---|---|---|---|---|---|---|---|---|---|---|---|---|---|---|---|---|---|---|
| 3 | 4 | 5 | 6 | 6.35 | 8 | 9.525 | 10 | 12 | 14 | 15 | 16 | 18 | 20 | 22 | 25 | 28 | 30 | 35 | |
| MOR-12C | 0.8 | 1.9 | 2.4 | ||||||||||||||||
| MOR-15C | 2.3 | 3.5 | 4.8 | ||||||||||||||||
| MOR-17C | 2.7 | 3.6 | 4 | ||||||||||||||||
| MOR-20C | 3.7 | 4.2 | 4.3 | 5.7 | 6.1 | ||||||||||||||
| MOR-26C | 4 | 6.4 | 9.3 | 11 | |||||||||||||||
| MOR-30C | 7.5 | 13 | 13 | 17 | 20 | ||||||||||||||
| MOR-34C | 16 | 18 | 23 | 30 | |||||||||||||||
| MOR-38C | 19 | 20 | 24 | 30 | 34 | 37 | 38 | ||||||||||||
| MOR-45C | 34 | 41 | 42 | 44 | 48 | ||||||||||||||
| MOR-55C | 73 | 75 | 88 | ||||||||||||||||
| MOR-68C | 100 | 100 | 100 | 100 | 110 | 110 | |||||||||||||
轴尺寸容许偏差为h7、硬度为34-40HRC、螺丝紧固扭矩为MOR-C尺寸表中的试验值,并非保证值。
可传递摩擦力矩会根据使用条件而变化。请事先在与实际情况相同的条件下进行试验。
环境温度、温度修正系数
| 环境温度 | 温度修正系数 |
|---|---|
| -20℃~30℃ | 1.00 |
| 30℃~40℃ | 0.80 |
| 40℃~60℃ | 0.70 |
| 60℃~80℃ | 0.55 |
构造
定位螺丝固定型
MORMOR
夹紧型
MOR-CMOR-C
定位螺丝固定型 + 键槽型
MOR-KMOR-K
夹紧型 + 键槽型
MOR-CKMOR-CK
材质、表面处理
| MOR | |
|---|---|
| 轴套 | A2017 阳极氧化处理 |
| 间隔体 | 聚缩醛 |
| 内六角止动螺丝 | SCM435 四氧化三铁保护膜(黑) |
| 内六角圆柱头螺栓 | SCM435 四氧化三铁保护膜(黑) |
特点
- 推荐适用马达
| MOR | |
|---|---|
| 伺服马达 | ● |
| 步进马达 | ● |
| 通用马达 | ◎ |
- 特性
| MOR | |
|---|---|
| 高扭矩 | ◎ |
| 容许误差调整 | ◎ |
| 偏心反作用力小 | ◎ |
| 电绝缘性 | ◎ |
| 可使用温度 | -20℃~80℃ |
- 十字滑块型挠性联轴器。
- 通过轴套与间隔体的滑移,允许有较大偏心、偏角存在。
- 因误差调整量而产生的偏心反作用力变小,减轻了轴的负担。
- 构造简单,组装方便。
用途
阴极溅镀装置/零件进料器/缝纫机/娱乐器材选型
根据轴径、额定扭矩选型
轴径和额定扭矩交差区域为选型规格。

选型示例
选型条件为轴径φ6、负荷扭矩0.3N・m时,选型规格为MOR-15。常用扭矩的比较

隔片(聚缩醛)的耐药品性
| 影响 | |
|---|---|
| 耐候性 | 略微变色 |
| 耐弱酸性 | 基本可耐弱酸 |
| 耐强酸性 | 不耐强酸 |
| 耐弱碱性 | 基本可耐弱酸 |
| 耐强碱性 | 基本可耐弱酸 |
| 耐有机溶剂性 | 有抵抗性 |
隔片(聚缩醛)的物性
| 试验方法 | 单位 | 聚缩醛 | |
|---|---|---|---|
| 密度 | ISO1183 | g/cm3 | 1.36 |
| 吸水率 (23℃、浸渍24hr) | ISO62 | % | 0.7 |
| 拉伸强度 | ISO527-1、2 | N/mm2 | 52 |
| 抗弯强度 | ISO178 | N/mm2 | 72 |
| 摆锤冲击强度 (带切口) | ISO179/1eA | kJ/m2 | 5.9 |
| 载荷挠度温度 (1.8MPa) | ISO75-1、2 | ℃ | 85 |
| 绝缘击穿强度 (3mmt) | IEC60243-1 | kV/mm | 20 |
| 体积电阻率 | IEC60093 | Ω・cm | 1×1014 |
| 燃烧性 | UL94 | - | HB |
偏心反作用力
轴套与间隔体的初始滑移负载值。磨合运动后,滑移负载变小,通过调整误差降低轴负载,减轻轴等的负担。


温度引起的静态扭转刚性数值的变化
以在20℃时的静态扭转刚性数值为100%时的值。使用温度范围内的静态扭转刚性变化情况如图表所示。
使用时,请注意响应性的下降。





